Hello everybody,
I am tasked with designing an amplifier for physics experiment and I would be very glad to hear all opinions and receive help
Summarized the device should fit in the following.
Powered by 30-100V(+- so 60-200V)
Output current up to 4-5A
Output voltage swing->Not of high importance,anything reasonable will suffice
Gain-everything above 20dB(voltage gain) is acceptable.
Now the hard part-it should do all that @0Hz-1MHz output frequency(pure sine).
Some gain droop is acceptable.
Harmonic distortion should be low(say below a few %)
Operating into an coil placed on a widely varying magnetic materials so the load impedance is inductive...ish.(Load isolation resistor?)
The expected load inductance range is ~20-200uH
All requirements aren't set in stone so feel free to deviate a little.
What have I thought about for the moment:
GaN based class D amplifier switching at ~2.5-3MHz and a very good output filter-Hard to implement(I have zero experience with GaN) and blows the budget as the device should be relatively low cost-ish(think a few hundred EUR(USD))
Classical voltage feedback discrete amplifier as in a audio amplifier-out of the question as required GBWP is in the order of 10-100MHz
Open loop amplifier(Harold Black doesn't like this ) -Hard to get linearity out of?
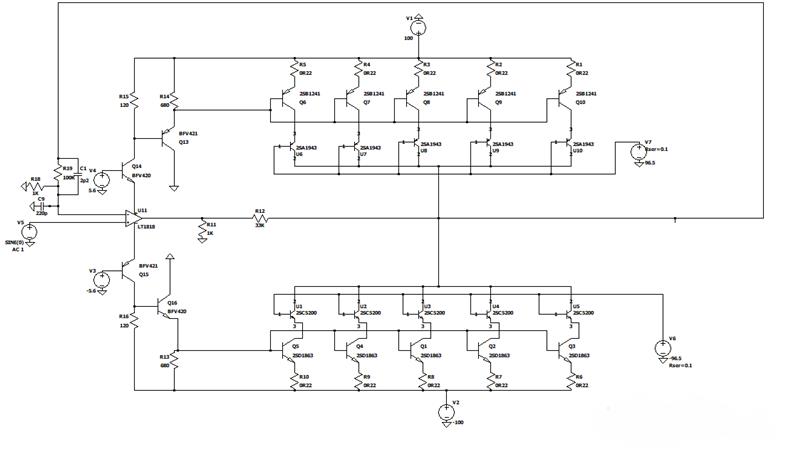
Current feedback topology of some kind using either discrete only devices or a "boosted" op-amp:
What I think is the best version for now:
The output is the big "+" at the middle the op-amp is the LT1818 and the trannies are non standard LTspice models,otherwise I would have provided the sim.(It is slow as hell anyway)
Any values you see are gut sense based for now
Any ideas and suggestions are welcome.
P.S All parts even obsolete are ok(if one can still find them) since it is a one-off.
- Comments(1)
A****min
Mar 23.2020, 09:48:18
The requirements don't look that unusual. So rather similar to a slightly faster Hifi amplifier.
The only unusual part would be the variable power supply and the idea to get close to the rails. This would normally be things not important for a one off. Who cares about a few 10 W of extra heat in such a case.
4-5 A is not such a high current.
We suggestion would be a more or less normal class AB amplifier, just with slightly fast transistors. No need to go exotic, just the regular better audio ones.
An inductive load is not a problem for voltage driving. The tricky part would be of the coil/ load shows self resonance.
An inductive load may only need a little bit more care with the SOA - here it helps the current is not that high.
